Handgreep, Aluminium zwart plastic gecoat
Handgreep, Aluminium zwart plastic gecoat
Huls voor insteekcilinder systeem 3, Zamak zwart gepoedercoat
Huls voor insteekcilinder systeem 3, Zamak zwart gepoedercoat

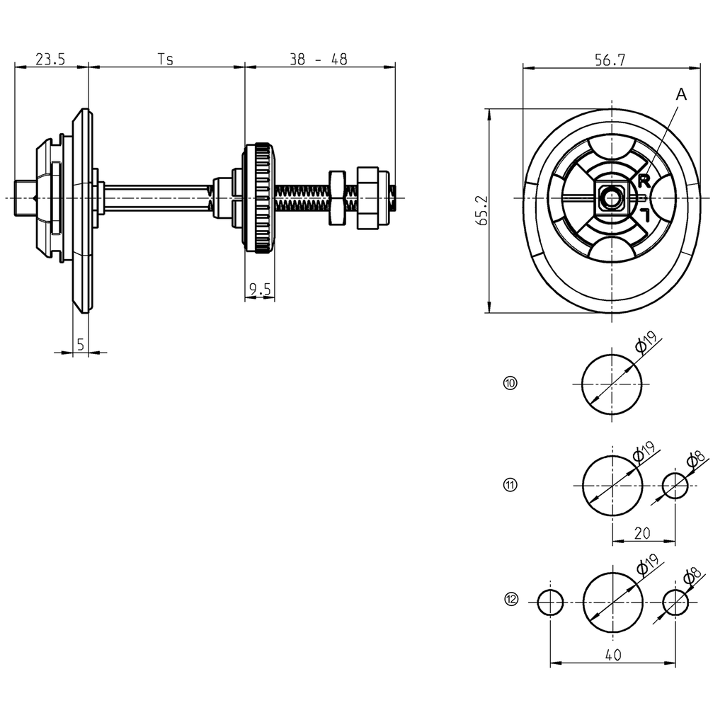
As met toebehoren E2, Zamak en staal verzinkt; 1091-U215-50

https://www.emka.com/products/1091-u215-50 https://www.emka.com/web/image/product.template/70153/image_1920?unique=fbe8685

E2 groot gatenpatroon, voor Ts = 50 - 60 mm


    Deze combinatie bestaat niet.



    Productopmerking:

    Bezel inside with quick mounting function

    1 = Outside handle
    2 = Shaft unit
    3 = Roller cam
    4 = Inside handle (optional)
    5 = Pressure relief (optional)
    A = The legibility of the labeling (R / L) indicates the orientation of the axis to the door stop
    10 = Cut out inside
    11 = Cut out front for right-hand and left-hand stopper
    12 = Cut out front, alternative

    Interne referentie: 1091-U215-50
    Barcode: 1091-U00215-0000050
    Soort product: As
    Programma: 1091
    Materiaal samengesteld artikel : Zamak en staal
    Afwerking samengesteld artikel: verzinkt
    As: Zamak as
    Aantal mogelijke vergrendelpunten: 1-punt
    Ingebouwde afdichting: Ja
    Geschikt voor deurdiktes vanaf: 50 mm
    Geschikt voor deurdiktes tot: 60 mm
    Type sluiting: Het modulaire klimaatprogramma
    No Specifications
    Alle producten bekijken
    drukontlasting
    Sluitlip
    Afdekkap
    Klimaatbouwgreep binnen
    Klimaatbouwgreep buiten
    Here you can find the product data sheets and CAD files of this product