Zunge mit Stangenantrieb, Stahl verzinkt; 1000-U29

https://www.emka.com/products/1000-u29 https://www.emka.com/web/image/product.template/59906/image_1920?unique=e9efa0d

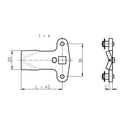
Kröpfung h = 6 mm


    Diese Kombination existiert nicht.

    Innerhalb der Dichtung


    Interne Referenz: 1000-U29
    Barcode: 1000-U00029-0000000
    Produktart: Zunge
    Programm: 1000
    Katalogblatt: 3YB-440
    Material der Baugruppe : Stahl
    Oberfläche der Baugruppe: verzinkt
    Anzahl der möglichen Verschlusspunkte: 3-Punkt
    Einbauposition : Innerhalb der Dichtung
    Hub des Antriebs: Hub 18 mm
    Kompressionswert : 3 mm
    Kröpfung: positiv
    Kröpfung der Zunge: 6 mm
    L-Maß: 45 mm
    Löffel: Ja
    t-Maß: 4 mm
    No Specifications
    Alle Produkte anzeigen
    Gehäuse
    Anschlussstange
    Auflauframpe
    Vorreiber
    Adapter für Rundstange
    Lagerbuchse
    Hier finden Sie die Produktdatenblätter und CAD-Dateien zu diesem Produkt