Zunge mit Stangenantrieb, Stahl verzinkt; 1000-U22

https://www.emka.com/products/1000-u22 https://www.emka.com/web/image/product.template/59900/image_1920?unique=af6da76

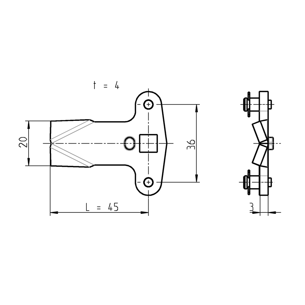
Kröpfung h = -8 mm


    Diese Kombination existiert nicht.

    Innerhalb der Dichtung


    Interne Referenz: 1000-U22
    Barcode: 1000-U00022-0000000
    Produktart: Zunge
    Programm: 1000
    Katalogblatt: 1C-120
    Material der Baugruppe : Stahl
    Oberfläche der Baugruppe: verzinkt
    Anzahl der möglichen Verschlusspunkte: 3-Punkt
    Einbauposition : Innerhalb der Dichtung
    Hub des Antriebs: Hub 18 mm
    Kompressionswert : 3 mm
    Kröpfung: negativ
    Kröpfung der Zunge: -8 mm
    L-Maß: 45 mm
    Löffel: Ja
    t-Maß: 4 mm
    No Specifications
    Alle Produkte anzeigen
    Gehäuse
    Anschlussstange
    Auflauframpe
    Vorreiber
    Adapter für Rundstange
    Hier finden Sie die Produktdatenblätter und CAD-Dateien zu diesem Produkt