Accoppiatore, alluminio; 1001-69
per sistema adattatore con porta isolante, L = 23 mm
Indicazioni prodotto:
Il sistema con adattatore, pre-montato con maniglia o inserto, viene introdotto attraverso l'apertura di montaggio e fissato con il dado autobloccante M6.
1 = ad es. tubo Ø30x1,5
2 = raccordo quadro
3 = accoppiatore
4 = maniglia interna
Per la maniglia interna si deve inoltre utilizzare l'adattatore 1001-65.
La maniglia interna non è adatta per maniglie a T ed a L a chiave.
Istruzione di assemblaggio:
per spessore porta 40 mm per sistema adattatore con porta isolante
                                
                                    Riferimento interno:
                                
                                1001-69
                            
                            
                                
                                    Codice a barre:
                                
                                1001-000069-0000000
                            
                            
                                
                                    Tipo di prodotto:
                                
                                Accessori generali
                            
                            
                                
                                    Materiale:
                                
                                alluminio
                            
  
                            
                                
                                    Programma:
                                
                                1001
                            
                            
                                
                                    Pagina catalogo:
                                
                                2A-180
                            
                            
                                
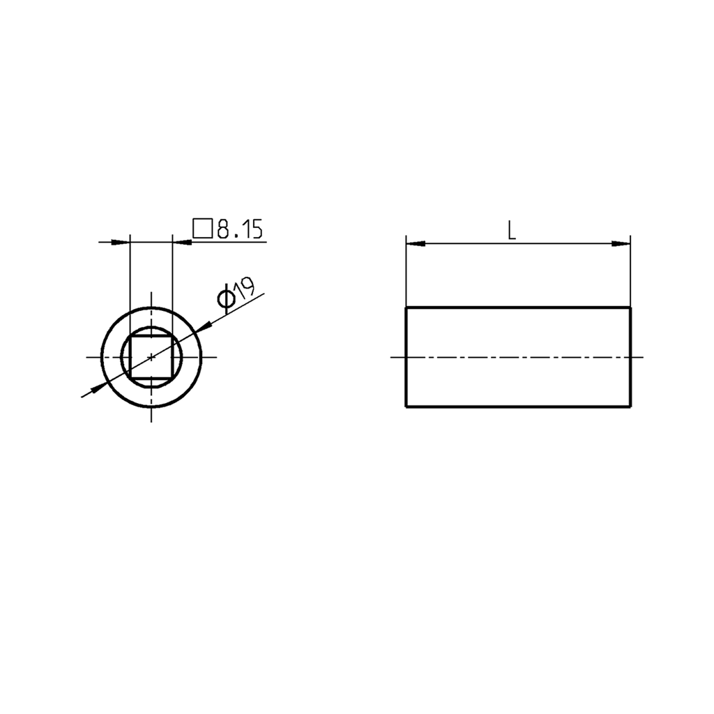
                                    Misura D:
                                
                                19 mm
                            
                            
                                
                                    Misura L:
                                
                                23 mm
                            
                        
                            No Specifications
                        
                    
                                            
                                            Visualizza tutti i prodotti
                                            
                                            
                                        
                                    Qui sono disponibili le schede tecniche e i file CAD di questo prodotto.